- Sie haben noch keine Artikel in Ihrem Warenkorb.
Startseite » Glas und Türsysteme » Vordächer mit stange » Komponente » Untere Verankerung für Vordachsystem
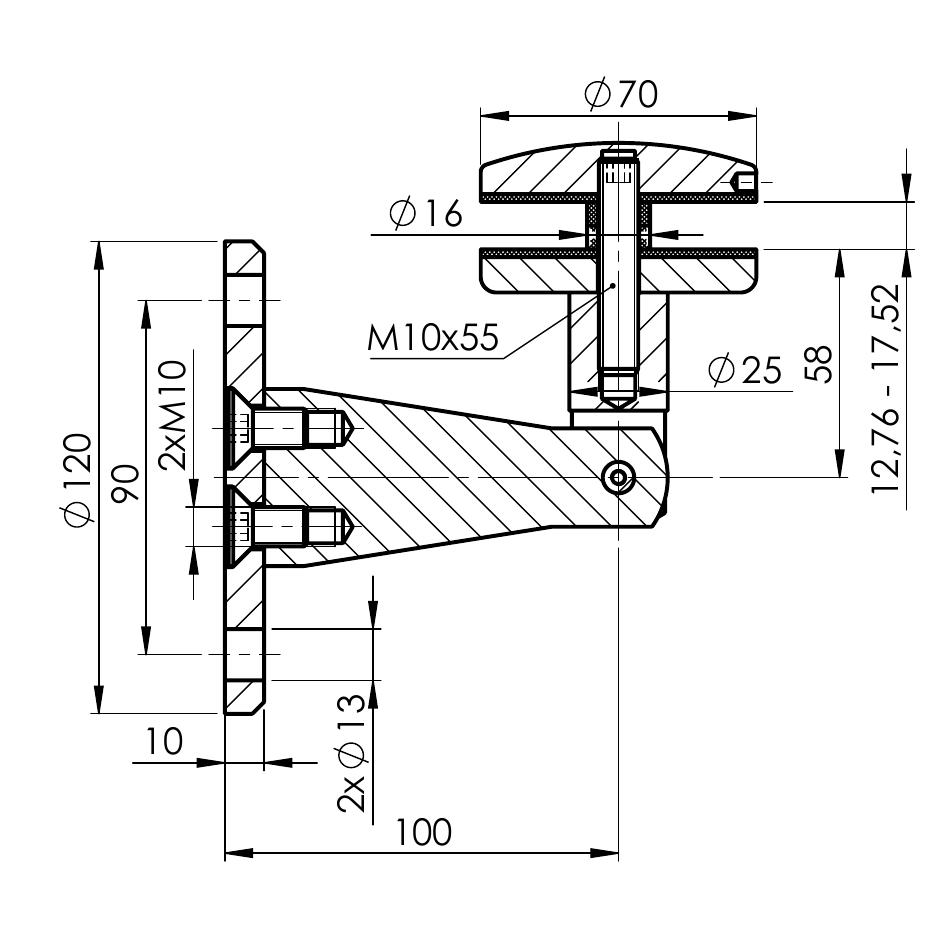
Die untere Verankerung für den Unterstand ist ein Strukturelement, das einen Glashalter enthält, mit dem das Glas befestigt wird. Die Verankerung an der Wand erfolgt über 2 Löcher und Verankerungselemente. Die Befestigung der Glasfüllung erfolgt über eine Klemmverbindung, für die Montage der Füllung sind jedoch Löcher in der Füllung erforderlich. Die Verankerung ist verstellbar, wodurch Sie die Neigung der Füllung anpassen können.
Material: Edelstahl AISI 316
Oberflächengüte: Schliff
Oberflächengüte: Schliff
EU-Verantwortlich

Sellon24
Forster Str. 90
03172 Guben
Mail. kontakt [et] sellon24.de

Sellon24
Forster Str. 90
03172 Guben
Mail. kontakt [et] sellon24.de
