inkl. 19% MwSt. zzgl. Versand
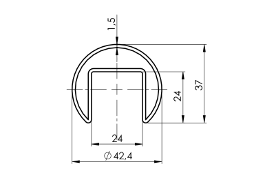
Dieses Nutrohr aus Aluminium mit Satin-ELOX Oberfläche ist für Geländeranlagen mit Glasverankerung konzipiert. Die Länge von 5900 mm erlaubt den Einsatz bei durchgehenden Handl...
{{.}}
{{{.}}}